Zurück zu Wissen
 
× Startseite

Einstellungen | Mein Account
IKZ select Logo
Suchen          Support & Kontakt       Mein Account
IKZ select Logo

Lieber Gast, um alle Inhalte sehen zu können, müssen Sie angemeldet sein! Jetzt registrieren oder einloggen.

WISSEN

News

Weitere Artikel



Neue Förderbedingungen ab 2023

Neue Förderbedingungen ab 2023Bild: Bundesanzeiger

Die Bundesförderung für effiziente Gebäude (BEG) wurde zum Jahresbeginn erneut angepasst. Teil I: KesseltauschAnfang Januar 2023 wurde die Bundesförderung für...

Weiterlesen

SHK-Handwerk plant ISH-Besuch

SHK-Handwerk plant ISH-BesuchBild: Querschiesser Unternehmensberatung

Xanten. Nach einer aktuellen Umfrage der Querschiesser Unternehmensberatung wollen einerseits mehr SHK-Handwerksbetriebe zur diesjährigen ISH 2023 (13. bis 17. März)...

Weiterlesen

Trennungen von zwei Wässern

Trennungen von zwei WässernBild: L. Wiesemann

Trinkwasserschutz nach DIN EN 1717Das Trinkwasser ist in Deutschland besonders gut abgesichert. Zahlreiche Normen sorgen dafür, das hygienisch einwandfreies Trinkwasser...

Weiterlesen

Sicherheit bei Starkregenereignissen

Sicherheit bei StarkregenereignissenBild: Jung-Pumpen GmbH

Überflutungsnachweise und Regenrückhaltung nach DIN 1986-100 – Erläuterungen und BerechnungsbeispieleDie Forderung nach einem Überflutungsnachweis gibt es bereits seit der Einführung...

Weiterlesen

Erleichterung im NRW-Bauordnungsrecht für Wärmepumpen und PV-Anlagen

Erleichterung im NRW-Bauordnungsrecht für Wärmepumpen und PV-AnlagenBild: Bundesverband Wärmepumpe

Düsseldorf.  Mitte Dezember vergangenen Jahres hat das NRW-Bauministerium das Bauordnungsrecht modifiziert. Der Erlass (bit.ly/3w79HC7) sieht u.a. Erleichterungen für die Aufstellung von...

Weiterlesen

Sanitärbranche im Wandel

Sanitärbranche im WandelBild: VDMA Armaturen / AGSI

AGSI fordert Weiterentwicklung des klassischen Vertriebswegs zugunsten der Endabnehmerbedürfnisse. Messen sollen zu hybriden Formaten mit Event-Charakter weiterentwickelt werdenDie Arbeitsgemeinschaft Sanitärarmaturenindustrie...

Weiterlesen

Innovative Technik sinnvoll verknüpft

Innovative Technik sinnvoll verknüpftBild: PRIESTEREGG Premium ECO

Priesteregg Premium Eco Resort mit konsequent ökologischer AusrichtungIn beeindruckender Naturumgebung begeistert das Priesteregg Premium Eco Resort mit inzwischen 18 Berg-...

Weiterlesen

Verbraucherstudie zu Trinkwasser-Enthärtungsanlagen

Verbraucherstudie zu Trinkwasser-EnthärtungsanlagenBild: figawa

Fraunhofer-Institut führt bundesweite Zufriedenheitsanalyse unter Betreibern durchDie Anzahl von Geräten zur Enthärtung von Trinkwasser in Hausinstallationen ist deutschlandweit in den...

Weiterlesen

Grenzabstände bei Aufstellung einer Wärmepumpe

Grenzabstände bei Aufstellung einer WärmepumpeBild: Bundesverband Wärmepumpe

Bundeseinheitliche Regelungen fehlen, im Zweifel empfiehlt sich eine Anfrage bei den BaubehördenDie Politik will den Ausbau von Wärmepumpen in den...

Weiterlesen
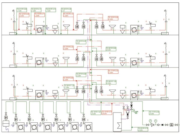
Planungskriterien für Trinkwasser-InstallationenBild: Viega

Planungskriterien für Trinkwasser-Installationen 6. Januar 2023

Kleine Zirkulationskreise sind oft nachteilig für die Trinkwasserhygiene und die EnergieeffizienzWird in einer Trinkwasser-Installation die Zirkulation von Trinkwasser warm (PWH-C)...
Weiterlesen

 Mehr Artikel



Ausgewählte Inhalte



Leistungsgarantie



Datensicherheit

×