Lieber Gast, um alle Inhalte sehen zu können, müssen Sie angemeldet sein! Jetzt registrieren oder einloggen.
StartseiteWissenNews#017 184000 neue Photovoltaikanlagen +++ Powerpaste für Wasserstoffantriebe +++ Wasserschläge in Trinkwasseranlagen

9. April 2021
Im vergangenen Jahr wurden in Deutschland rund 184000 neue Solarstromanlagen mit einer Leistung von rund 4,9 Gigawatt (GW) neu errichtet, teilte der Bundesverband Solarwirtschaft mit. „Die Richtung stimmt“, sagt BSW-Hauptgeschäftsführer Carsten Körnig. Der Zubau an Photovoltaikanlagen müsse jedoch um den Faktor zwei, eher drei gesteigert werden, um eine Klimaschutz- und Stromerzeugungslücke zu vermeiden.
Ein weiteres Thema in dieser Folge: Forschende am Fraunhofer-Institut für Fertigungstechnik und Angewandte Materialforschung IFAM in Dresden haben eine spezielle Wasserstoffpaste entwickelt, die sich insbesondere für Kleinfahrzeuge beispielsweise Scooter anbietet. Die Wasserstoffspeicherung wird damit deutlich vereinfacht.
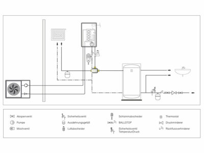
Wasserschläge in Trinkwasseranlage treten vor allem nach dem plötzlichen Schließen von Armaturen, Einhebelmischern, Magnetventilen usw. auf. Die Ursache ist ein Überdruck durch den abrupten Wasserstopp. Welche Lösung es hierfür gibt, ist ebenfalls Thema dieser Folge.
Lieber Gast, um alle Inhalte sehen zu können, müssen Sie angemeldet sein! Jetzt registrieren oder einloggen.
Verwandte Artikel
Forscher entwickeln Powerpaste für Wasserstoffantriebe 10. Februar 2021
Caleffi: Bis zu 90°C Vorlauftemperatur einsetzbar 28. Juli 2025
Caleffi: Zwei Produkte für Wärmepumpenanlagen 17. Juli 2023
Wasserschlägen einen Dämpfer verpassen 9. Juni 2022
Caleffi: So geht es dem Sauerstoff an den Kragen 10. Februar 2025
Caleffi: So geht es dem Sauerstoff an den Kragen 9. Oktober 2024
Caleffi: Neu von Caleffi für Wärmepumpenanlage 1. März 2024
Caleffi: Automatischer Abgleich und thermische Desinfektion mit einer Regelarmatur 15. September 2023
Frostschutz bei Luft-Wasser-Wärmepumpen 27. Februar 2026
#33 Druckstöße in Trinkwasseranlagen vermeiden +++ Emissionsminderung bei Holzfeuerungen 28. Februar 2022
Ausgewählte Inhalte
Leistungsgarantie
Datensicherheit